Creating an account is very easy!
Welcome
Hello, if you log in you can keep a wishlist, see your orders and much more!
You have reached the minimum number
There are no products in your shopping cart yet.
Product added to your quotation. Go to the quote page to complete your quotation request, we will contact you as soon as possible.
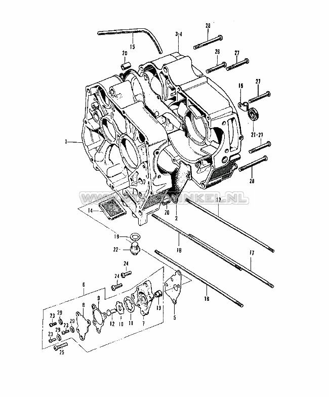
Oil filter, fits SS50, CD50, CB50, C50, Dax, Mash
Oil drain plug magnetic m12 x 1.5 type 1
Oil pump 300, NT crankcases, original Honda
Oil pump 180, NT crankcases, original Honda
Oil pump 300, NT crankcases
Seal 11,6-24-10 SS50, CD50, CB50, C50 shifter shaft, original Honda
Seal set, 5-piece, ARS, fits SS50, CD50, C50, Dax
Gasket, center crankcases, fits SS50, CD50, C50, Dax
Gasket set B, engine base, A-quality, fits SS50, C50, Dax
Gasket, ring oil drain plug 12mm copper
Gasket, oil pump OT
Gasket, oil pump cover, original Honda
Bolt crosshead m6 x 50, original Honda
Oil pump 100, OT crankcases, original Honda
Oil filter SS50, CD50, CB50, C50, Dax, Mash, original Honda
Stud SS50, CD50, C50 long 195 mm, original Honda
Stud SS50, CD50, C50 short 187 mm, original Honda
Pin knock 10 x 14 mm
Bolt crosshead m6 x 60, original Honda
Oil drain plug, m12 x 1.5, original Honda
Oil drain plug magnetic m12 x 1.5
Bolt crosshead m6 x 16, original Honda
Oil pump rotor inside, SS50, CD50, C50, Dax, Novio, Amigo, original Honda
Oil pump rotor outside, Novio, Amigo, original Honda
Oil drain plug ring, 12mm, original Honda.
Ring 5mm, spring, original Honda
Bolt crosshead m6 x 65, original Honda
Bolt crosshead m5 x 10, original Honda
Gasket, oil pump OT, original Honda
Gasket, center crankcases, SS50, CD50, C50, Dax, original Honda
Oil pump drive shaft, in oil pump, OT, C50, C70, SS50, CD50, Dax, original Honda
Oil pump pin knock, in oil pump, OT, C50, C70, SS50, CD50, Dax, original Honda, NOS
Oil pump cover, OT, C50, C70, SS50, CD50, Dax, original Honda
Seal 11, 6-24-10 shifter shaft, fits SS50, CD50, CB50, C50
CRANKCASE, right, OEM HONDA
CRANKCASE, left, OEM HONDA
PIPE, breather, OEM HONDA
CLAMPER, over flow pipe, OEM HONDA
Stud set, horizontal cylinder, fits SS50, CD50, C50
Oil drain plug magnetic m12 x 1.5 black
Oil drain plug magnetic m12 x 1.5 red
Enter your desired name below.
Give your new wishlist a name below.