Creating an account is very easy!
Welcome
Hello, if you log in you can keep a wishlist, see your orders and much more!
You have reached the minimum number
There are no products in your shopping cart yet.
Product added to your quotation. Go to the quote page to complete your quotation request, we will contact you as soon as possible.
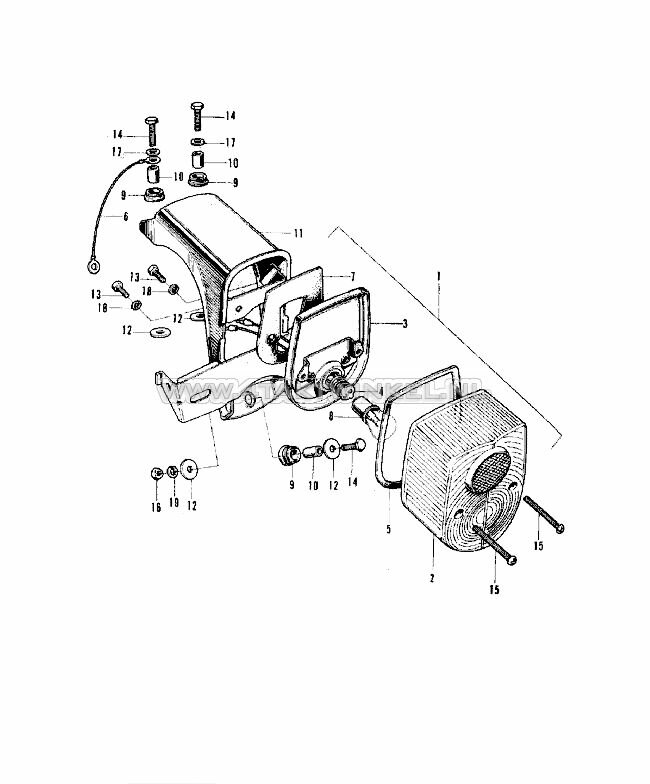
Rear bulb Duplo BAY15D, 6 volts, 18-5 watts
Bolt crosshead m4 x 50 original Honda
Ring 6mm, standard
Nut m6 x 1 spanner 10
Ring 6mm, body, 18mm
Connector Japanese hole 6mm
Taillight bracket Dax, chrome, original Honda
Taillight bracket, chrome, fits Dax
Rear bulb Duplo BAY15D, 6 volts, 21-5 watts
Taillight red, fits C50 NT
Taillight Dax, C50 NT clear
Taillight glass dax red A-quality
Taillight lens dax clear
Bolt crosshead m4 x 50
Bolt Hexagon, m6 x 16, key 10
Ring 6mm, spring
Mudguard mounting rubber SS50, CD50, bottom, original Honda
Mudguard mounting rubber collar bush SS50, CD50, bottom, original Honda
Taillight rubber Dax, C50 NT, original Honda
Taillight Dax, C50 NT blank
Socket taillight, universal, Stanley, original Honda
Taillight Dax, C50 NT red, original
Bolt Hexagon, m6 x 16, key 10, per 10 pieces
Wire per meter 0.75mm2, green
Nut m6 x 1 spanner 10, original Honda
Taillight bracket, black, fits Dax
Ring 5mm, spring, original Honda
Ring 6mm, spring, original Honda
Bolt Hexagon, m6 x 16, key 10, original Honda
Ring 6mm, standard, original Honda
Rear bulb duplo BAY15D, 6 volt, 10-3 watt, Stanley
Bolt Hexagon, m5 x 12, key 8, chrome, original Honda
Bolt Hexagon, m5 x 12, key 8, black, original Honda
Ring 6mm, body, original Honda
WASHER 6MM, OEM HONDA
LENS, tail light, OEM Honda
BASE COMP, tail light, OEM Honda
CORD, tail & stop light earth, OEM Honda
Packing, tail light base, OEM Honda
Bolt, hex, 5x12, OEM Honda
Enter your desired name below.
Give your new wishlist a name below.