Sign-in

Welcome at the 4stroke-parts B2B webshop

Registreer Login
  • Fast delivery
  • Fair B2B pricing
  • More than 5000 parts in stock

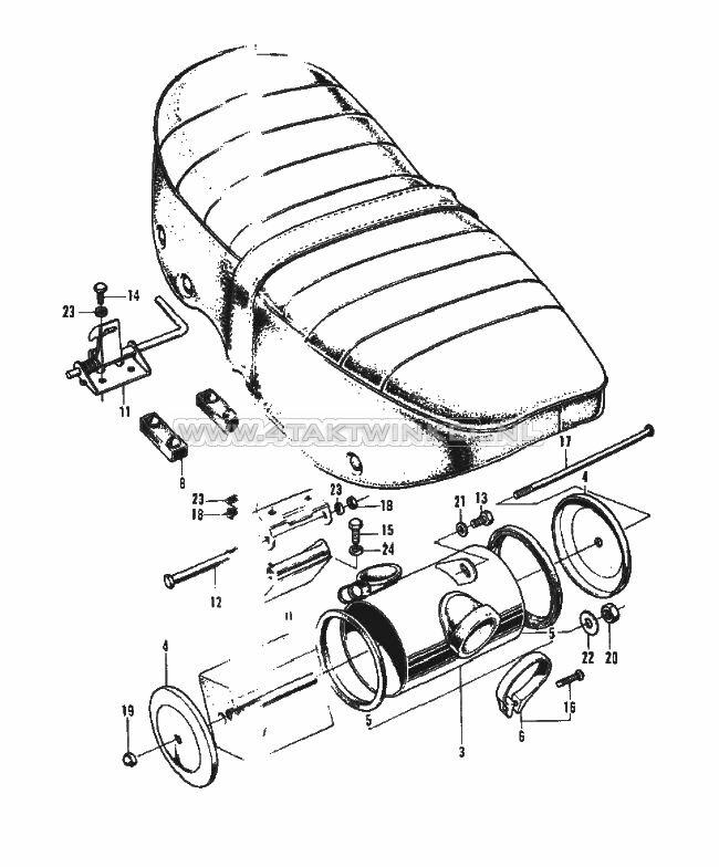
F6 - SEAT - AIR CLEANER

F6 - SEAT - AIR CLEANER
Collapse Expand