Sign-in

Welcome at the 4stroke-parts B2B webshop

Registreer Login
  • Fast delivery
  • Fair B2B pricing
  • More than 5000 parts in stock

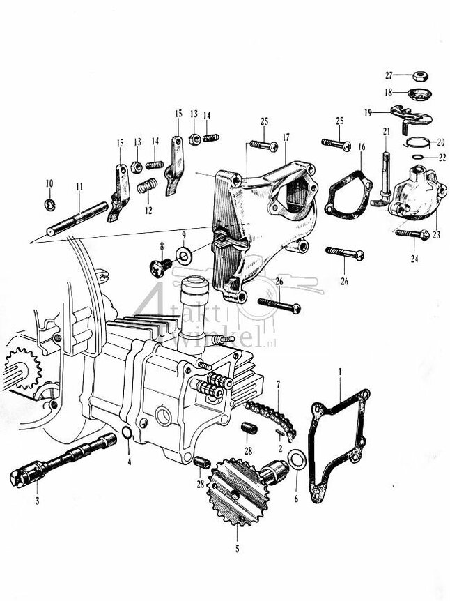
E1 - Cylinder Head Cover - Camshaft

E1 - Cylinder Head Cover - Camshaft
Collapse Expand