Sign-in

Welcome at the 4stroke-parts B2B webshop

Registreer Login
  • Fast delivery
  • Fair B2B pricing
  • More than 5000 parts in stock

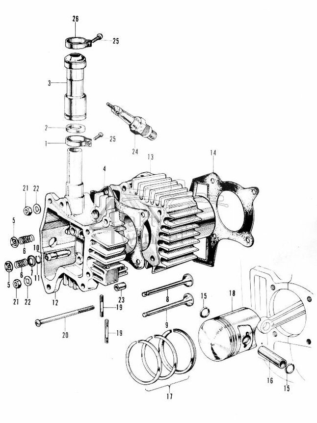
E2 - Cylinder - Cylinder Head - Piston

E2 - Cylinder - Cylinder Head - Piston
Collapse Expand