Sign-in

Welcome at the 4stroke-parts B2B webshop

Registreer Login
  • Fast delivery
  • Fair B2B pricing
  • More than 5000 parts in stock

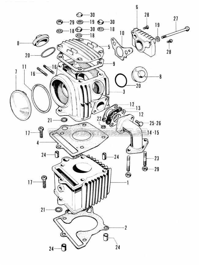
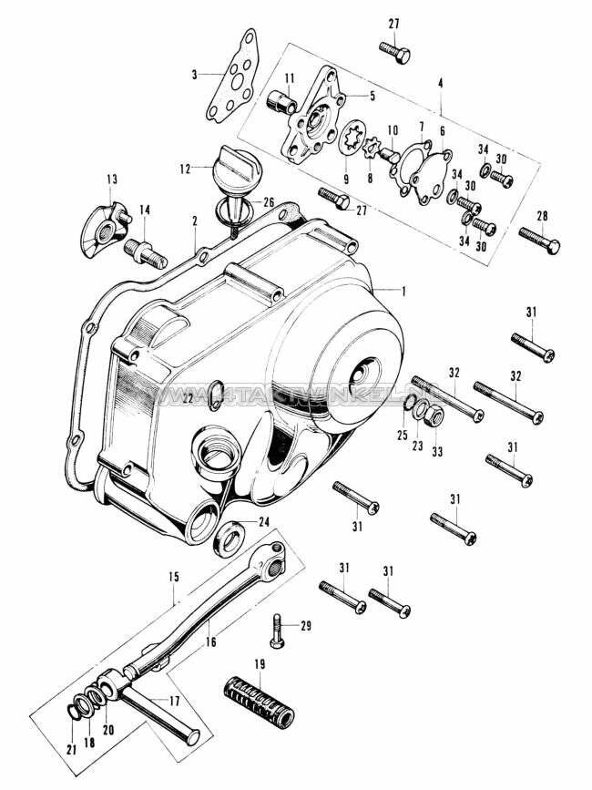
Honda Monkey Z50a K2

Honda Monkey Z50a K2