Creating an account is very easy!
Welcome
Hello, if you log in you can keep a wishlist, see your orders and much more!
You have reached the minimum number
There are no products in your shopping cart yet.
Product added to your quotation. Go to the quote page to complete your quotation request, we will contact you as soon as possible.
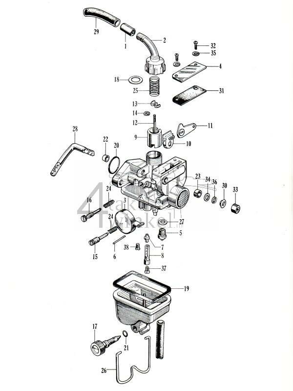
Repair kit, carburettor, Z50A K2, Keyster Japan
Jet needle clip, per 3 pieces
Ring 5mm, standard
Ring 3mm, spring, original Honda
Ring 5mm, spring, original Honda
Nut m5, standard
Ring 5mm, standard, original Honda
Nut m5, original Honda
ADJUSTER, cable, OEM HONDA
PIN, float arm, OEM HONDA
SCREW, drain, OEM HONDA
O RING, 3.8 x 1.9, OEM HONDA
SPRING, throttle, OEM HONDA
CAP, cable, OEM HONDA
Top, OEM Honda
Float, OEM Honda
Cover, choke, OEM Honda
Valve-Set, float, OEM Honda
Jet. Needle, OEM Honda
Holder, needle jet, OEM Honda
Valve, choke, OEM Honda
Link, choke, OEM Honda
Plate, needle jet, OEM Honda
Clip, bar, OEM Honda
Screw, air, OEM Honda
Screw, throttle stop, OEM Honda
Screw, drain, OEM Honda
Washer, top, OEM Honda
Washer, float chamber, OEM Honda
O-Ring, 150R, OEM Honda
Seal, OEM Honda
Seat, sealing, OEM Honda
Spring, air screw, OEM Honda
Clip, float chamber set, OEM Honda
Washer, fiber, OEM Honda
Lever, choke, OEM Honda
Washer, stopper, OEM Honda
Packing, choke cover, OEM Honda
Screw, pan 3x8, OEM Honda
Jet, main (#45), OEM Honda
Jet, main (#48), OEM Honda
Jet, main (#50, SDT.), OEM Honda
Jet, main (#52), OEM Honda
Jet, main (#55), OEM Honda
Jet, Slow (#38 SDT.), OEM Honda
Jet, slow (#40), OEM Honda
Enter your desired name below.
Give your new wishlist a name below.