phone0031-387850973 Tue til Sat 10 am to 17 pm
info

You have reached the minimum number

Shopping cart (0)

There are no products in your shopping cart yet.

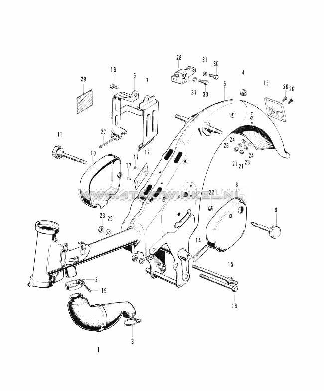
F16 - FRAME AND FRAME PARTS



Loading...

Filter